+375 17 552 52 52; +375 44 597 87 77; +375 29 597 87 77
Мы готовы выполнить Вашу работу. Если у вас есть схема системы воздуховодом, сообщите нам объемные расходы воздуха (L, м3/ч), сопротивление сети или давление приточного агрегата (Р, Па), и мы спроектируем систему в точности с Вашими требованиями, рекомендациями и пожеланиями.
Кроме этого, системы вентиляции с применением текстильных воздуховодов позволяют делать конфигурацию самой системы абсолютно любой, и применительно к самым стандартным ситуациям, что не всегда возможно осуществить с помощью оцинкованных воздуховодов. Отправьте нам план помещения с расходом воздуха и давлением приточной машины – и мы сами предложим Вам наиболее подходящий для Вас вариант разводки воздуховодов по помещению, способ раздачи воздуха в помещении и способ монтажа всей вент.системы.
Так или иначе, в ответ на Вашу заявку Вы получите полную техническую документацию на текстильные воздуховоды, содержащую спецификацию воздуховодов по каждой позиции с указанием цен, исчерпывающую информацию о применяемых в конкретном случае текстильных воздуховодах, о способе воздухораспределения, о способе монтажа, и имеющую цветовые диаграммы воздушных потоков.





Кроме этого, наше программное обеспечение позволяет переводить наши чертежи в формат программы AutoCAD, что позволит Вам без всяких затруднений перенести чертежи систем вентиляции любой сложности с применением текстильных воздуховодов в Ваш проект.
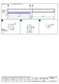
В качестве примера приведены два скриншота программного обеспечения PrihodaSW и AutoCAD, на которых изображены чертежи приточной системы вентиляции для ОАО «Бабушкина крынка».

